



SWF(HLF)系列混流风机是由上海交通大学与本公司共同联合研制的具有同机号风量较离心风机大,风力较轴流风机高,可以轴向安装等特点,中央电视台、奥运会新闻中心、奥运会奥林匹克中心、奥运会地坛体育馆、北京人民广播电台等单位和上海、广东、福建、浙江等省、市的高级民用建筑、工矿企业相继选用,广大用户给予噪声低、耗电省、高效区宽、安装使用方便、运行效果好的一致好评。
一、SWF (HLF)系列低噪声混流式(斜流式)通风机特点
1.效率高、高效区宽,本风机采用先进的CAD系统软件,经多目标优化、性能预示设计研制的高科技产品,应用斜流子午加速方法(亦称斜流风机) ,压力较同机号轴流风机高,风力较同机号离心风机大,具有效率高,区间宽等特点。
2.结构紧凑、安装方便、运行可靠;该风机在相同风量、风压的情况下均比轴流式或离心式体积小,可直接与风筒连接,水平安装或垂直安装,操作使用方便的特点。
3.噪声低:该风机的外壳经特别设计,可较大地降低涡流噪声。在单位风量、单位风压的工况条件下比A声级可降低2-3dB (A) ,同时在较低转速的情况下,可获得较高风机压力。在工矿企业和高级民用建筑的送排风系统中可代替低压离心风机或代替高压轴流风机而不需要大量消声措施。
4.适用范围广:本系列产品分为单速和双速二种型号(其中单速又分为高、中、低三种速度) ,可根据不同使用场合,亦可生产成防爆型,并改变风机安装角度,改变叶片数和变换转速达到其使用要求。
*特别说明:此系列产品,本公司具有国家防爆电器产品质量监督检验中心核发的防爆合格证和防爆检验报告,具备国家防爆电器生产许可证(防爆等级BT4)。
二、SWF系列混流风机性能参数表
SWF-1型混流风机性能参数表
型号 | 叶轮直径 (Φmm) | 风量 (m3/h) | 全压 (pa) | 功率 (kw) | 转速 (rpm) | 噪声 dB(A) | 重量 (kg) |
2.5 | 250 | 2664 | 358 | 0.75 | 2900 (原SWF-III) | 72 | 20 |
2253 | 426 | ||||||
1932 | 482 | ||||||
1684 | 543 | ||||||
1532 | 634 | ||||||
1362 | 96 | 0.18 | 1450 | 64 | 13 | ||
1232 | 117 | ||||||
1020 | 126 | ||||||
850 | 147 | ||||||
743 | 166 | ||||||
902 | 54 | 0.09 | 960 | 58 | 12 | ||
746 | 66 | ||||||
675 | 78 | ||||||
563 | 83 | ||||||
492 | 98 | ||||||
3 | 300 | 4652 | 512 | 2.2 | 2900 (原SWF-III) | 73 | 41 |
4410 | 562 | ||||||
4018 | 691 | ||||||
3605 | 816 | ||||||
3212 | 883 | ||||||
2312 | 121 | 0.25 | 1450 | 66 | 19 | ||
2205 | 138 | ||||||
2009 | 184 | ||||||
1803 | 216 | ||||||
1606 | 236 | ||||||
1512 | 67 | 0.12 | 960 | 60 | 16 | ||
1436 | 93 | ||||||
1320 | 112 | ||||||
1164 | 127 | ||||||
1000 | 139 | ||||||
3.5 | 350 | 5745 | 564 | 3 | 2900 (原SWF-III) | 74 | 58 |
5317 | 623 | ||||||
4927 | 741 | ||||||
4542 | 876 | ||||||
4127 | 986 | ||||||
3320 | 125 | 0.25 | 1450 | 68 | 28 | ||
3082 | 141 | ||||||
2876 | 174 | ||||||
2447 | 216 | ||||||
2130 | 257 | ||||||
1938 | 76 | 0.18 | 960 | 62 | 27 | ||
1743 | 89 | ||||||
1592 | 103 | ||||||
1380 | 127 | ||||||
1234 | 146 |
型号 | 叶轮直径 (Φmm) | 风量 (m3/h) | 全压 (pa) | 功率 (kw) | 转速 (rpm) | 噪声 dB(A) | 重量 (kg) |
4 | 400 | 7228 | 654 | 4 | 2900 (原SWF-III) | 78 | 80 |
6801 | 715 | ||||||
6221 | 883 | ||||||
5688 | 1107 | ||||||
5242 | 1248 | ||||||
4512 | 128 | 0.37 | 1450 | 71 | 35 | ||
4302 | 143 | ||||||
3636 | 175 | ||||||
3053 | 212 | ||||||
2765 | 285 | ||||||
2642 | 86 | 0.25 | 960 | 64 | 34 | ||
2486 | 107 | ||||||
2237 | 129 | ||||||
1985 | 145 | ||||||
1743 | 156 | ||||||
4.5 | 450 | 9169 | 672 | 5.5 | 2900 (原SWF-III) | 80 | 100 |
8731 | 753 | ||||||
8159 | 928 | ||||||
7561 | 1187 | ||||||
7124 | 1298 | ||||||
4728 | 182 | 0.55 | 1450 | 73 | 46 | ||
4552 | 207 | ||||||
4040 | 216 | ||||||
3392 | 265 | ||||||
3160 | 306 | ||||||
3592 | 88 | 0.25 | 960 | 66 | 41 | ||
3264 | 107 | ||||||
2892 | 132 | ||||||
2576 | 148 | ||||||
2240 | 162 | ||||||
5 | 500 | 13110 | 801 | 5.5 | 2900 (原SWF-III) | 83 | 111 |
12410 | 859 | ||||||
11865 | 1048 | ||||||
11342 | 1212 | ||||||
9876 | 1316 | ||||||
8652 | 196 | 1.1 | 1450 | 77 | 56 | ||
7433 | 220 | ||||||
6664 | 278 | ||||||
5252 | 326 | ||||||
4896 | 382 | ||||||
5624 | 96 | 0.37 | 960 | 68 | 50 | ||
4984 | 124 | ||||||
4322 | 136 | ||||||
3778 | 158 | ||||||
3215 | 182 |
型号 | 叶轮直径 (Φmm) | 风量 (m3/h) | 全压 (pa) | 功率 (kw) | 转速 (rpm) | 噪声 dB(A) | 重量 (kg) |
5.5 | 550 | 16820 | 824 | 7.5 | 2900 (原SWF-III) | 84 | 115 |
15764 | 936 | ||||||
14562 | 1128 | ||||||
13450 | 1229 | ||||||
12264 | 1338 | ||||||
9126 | 258 | 1.5 | 1450 | 78 | 72 | ||
8445 | 296 | ||||||
7938 | 328 | ||||||
7431 | 354 | ||||||
6925 | 385 | ||||||
6532 | 119 | 0.55 | 960 | 69 | 62 | ||
5796 | 134 | ||||||
5257 | 148 | ||||||
4893 | 175 | ||||||
4265 | 206 | ||||||
6 | 600 | 19230 | 836 | 7.5 | 2900 (原SWF-III) | 85 | 120 |
18220 | 962 | ||||||
17824 | 1143 | ||||||
17210 | 1256 | ||||||
15210 | 1365 | ||||||
11625 | 165 | 1.5 | 1450 | 79 | 75 | ||
10000 | 200 | ||||||
8900 | 262 | ||||||
8121 | 325 | ||||||
7560 | 382 | ||||||
8025 | 128 | 0.75 | 960 | 70 | 75 | ||
7129 | 142 | ||||||
6283 | 176 | ||||||
5567 | 205 | ||||||
4986 | 236 | ||||||
6.5 | 650 | 25124 | 524 | 7.5 | 1450 (原SWF-III) | 82 | 158 |
23984 | 658 | ||||||
23044 | 832 | ||||||
21864 | 952 | ||||||
18672 | 1038 | ||||||
15064 | 282 | 2.2 | 1450 | 80 | 89 | ||
13660 | 315 | ||||||
12255 | 350 | ||||||
10840 | 382 | ||||||
9424 | 418 | ||||||
10544 | 155 | 0.75 | 960 | 71 | 69 | ||
9562 | 178 | ||||||
8578 | 198 | ||||||
7588 | 215 | ||||||
7540 | 238 |
SWF-II型双速混流风机性能参数表
型号 | 叶轮直径 (Φmm) | 风量 (m3/h) | 全压 (pa) | 转速 (rpm) | 功率 (kw) | 噪声 dB(A) | 重量 (kg) |
6.5 | 650 | 25124 | 524 | 1450 | 8/6.5 | 82 | 200 |
23984 | 658 | ||||||
23044 | 832 | ||||||
21864 | 952 | ||||||
18672 | 1038 | ||||||
16582 | 230 | 960 | 74 | ||||
15829 | 289 | ||||||
15209 | 366 | ||||||
14430 | 419 | ||||||
12323 | 457 | ||||||
6.5S1 | 650 | 15064 | 282 | 1450 | 2.2/1.5 | 80 | 115 |
13660 | 315 | ||||||
12255 | 350 | ||||||
10840 | 382 | ||||||
9425 | 418 | ||||||
9941 | 124 | 960 | 71 | ||||
9016 | 139 | ||||||
8088 | 154 | ||||||
7154 | 167 | ||||||
6220 | 184 | ||||||
7 | 700 | 31380 | 608 | 1450 | 11/9 | 83 | 230 |
29880 | 765 | ||||||
28805 | 968 | ||||||
27330 | 1108 | ||||||
24820 | 1208 | ||||||
20710 | 268 | 960 | 75 | ||||
19720 | 336 | ||||||
19011 | 426 | ||||||
18038 | 488 | ||||||
16381 | 532 | ||||||
7S1 | 700 | 18800 | 329 | 1450 | 4/3 | 81 | 110 |
17075 | 370 | ||||||
15319 | 404 | ||||||
13550 | 441 | ||||||
11780 | 470 | ||||||
12050 | 124 | 960 | 73 | ||||
10140 | 162 | ||||||
8943 | 178 | ||||||
7799 | 194 | ||||||
7775 | 206 |
型号 | 叶轮直径 (Φmm) | 风量 (m3/h) | 全压 (pa) | 转速 (rpm) | 功率 (kw) | 噪声 dB(A) | 重量 (kg) |
7.5 | 750 | 30627 | 712 | 1450 | 11/9 | 86 | 230 |
29012 | 893 | ||||||
27232 | 1052 | ||||||
25518 | 1183 | ||||||
23422 | 1236 | ||||||
20214 | 313 | 960 | 79 | ||||
19148 | 393 | ||||||
17973 | 463 | ||||||
16842 | 521 | ||||||
15458 | 544 | ||||||
7.5S1 | 750 | 22538 | 378 | 1450 | 5.5/4.5 | 82 | 135 |
20490 | 420 | ||||||
18382 | 465 | ||||||
16260 | 504 | ||||||
14136 | 542 | ||||||
14875 | 166 | 960 | 76 | ||||
13523 | 185 | ||||||
12132 | 205 | ||||||
10732 | 222 | ||||||
9392 | 238 | ||||||
8 | 800 | 41256 | 560 | 1450 | 11/9 | 91 | 260 |
35380 | 667 | ||||||
28148 | 872 | ||||||
25872 | 912 | ||||||
24528 | 985 | ||||||
25467 | 193 | 960 | 82 | ||||
22424 | 292 | ||||||
18636 | 382 | ||||||
17129 | 448 | ||||||
16269 | 516 | ||||||
8.2 | 820 | 46066 | 539 | 1450 | 14/11 | 91 | 290 |
42370 | 754 | ||||||
39695 | 846 | ||||||
34709 | 926 | ||||||
31862 | 988 | ||||||
30449 | 236 | 960 | 84 | ||||
28052 | 331 | ||||||
26291 | 372 | ||||||
22979 | 436 | ||||||
21095 | 452 |
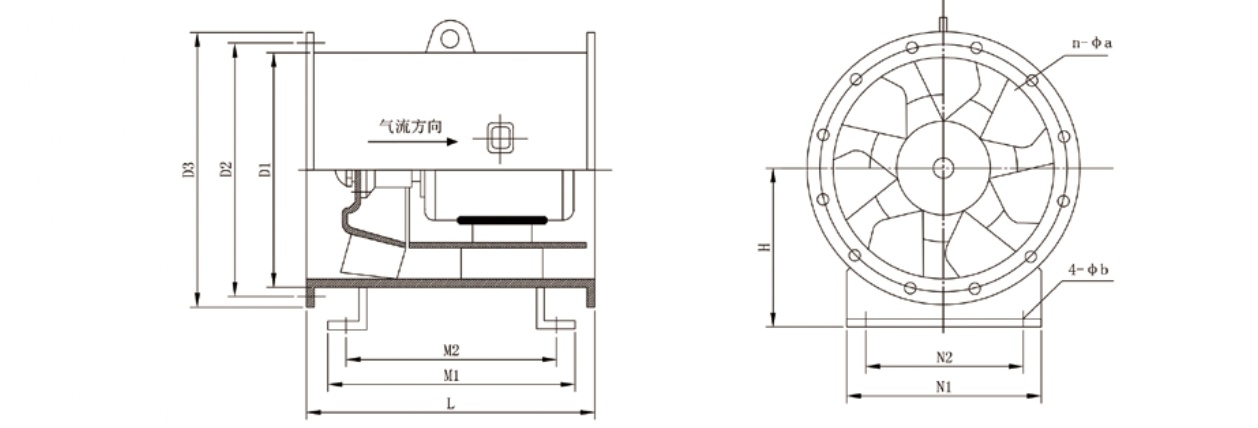
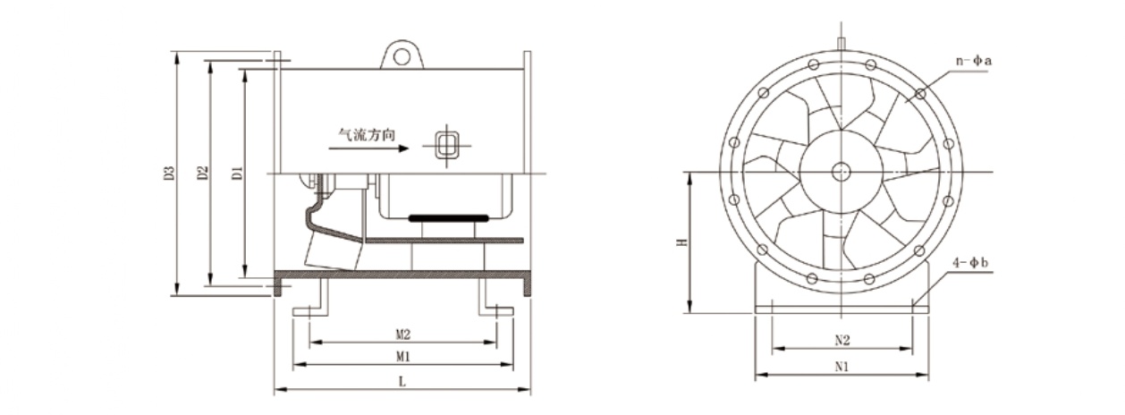
三、 SWF系列混流风机外形及安装尺寸(mm)
SWF-1型混流风机外形及安装尺寸

机号 | D1 | D2 | D3 | 2P(4P) | 4P(6P) | 6P | 8P | N1 | N2 | n-Φa | Φb | H | ||||||||
L | M1 | M2 | L | M1 | M2 | L | M1 | M2 | L | M1 | M2 | |||||||||
2.5 | Φ260 | Φ290 | Φ320 | 330 | 300 | 260 | 290 | 260 | 220 | 290 | 260 | 220 | 200 | 100 | 6-Φ8.5 | Ф11 | 200 | |||
3 | Φ310 | Φ340 | Φ370 | 390 | 360 | 320 | 330 | 300 | 260 | 310 | 280 | 240 | 250 | 150 | 6-Φ8.5 | Ф11 | 225 | |||
3.5 | Φ360 | Φ390 | Φ420 | 430 | 380 | 340 | 330 | 300 | 260 | 330 | 300 | 260 | 300 | 200 | 6-Φ8.5 | Ф11 | 250 | |||
4 | Φ410 | Φ440 | Φ470 | 450 | 400 | 360 | 350 | 320 | 280 | 350 | 320 | 280 | 300 | 200 | 6-Φ8.5 | Ф11 | 275 | |||
4.5 | Φ460 | Φ490 | Φ520 | 570 | 520 | 480 | 370 | 340 | 300 | 350 | 320 | 280 | 400 | 300 | 8-Φ8.5 | Ф11 | 300 | |||
5 | Φ510 | Φ545 | Φ580 | 560 | 510 | 470 | 380 | 350 | 310 | 360 | 330 | 290 | 400 | 300 | 8-Φ8.5 | Ф11 | 330 | |||
5.5 | Φ560 | Φ595 | Φ630 | 560 | 510 | 470 | 400 | 350 | 310 | 360 | 330 | 290 | 500 | 400 | 12-Ф10.5 | Ф13 | 355 | |||
6 | Φ610 | Φ645 | Φ680 | 560 | 510 | 470 | 400 | 350 | 310 | 380 | 350 | 310 | 500 | 400 | 12-Ф10.5 | Ф13 | 380 | |||
6.5 | Φ660 | Φ695 | Φ730 | 580 | 530 | 490 | 460 | 410 | 370 | 380 | 350 | 310 | 500 | 400 | 12-Ф10.5 | Ф13 | 405 | |||
7 | Φ710 | Φ750 | Φ790 | 700 | 660 | 610 | 450 | 410 | 360 | 390 | 370 | 320 | 600 | 500 | 12-Ф10.5 | Ф13 | 440 | |||
7.5 | Φ760 | Φ800 | Φ840 | 700 | 660 | 610 | 480 | 440 | 390 | 450 | 410 | 360 | 600 | 500 | 12-Ф10.5 | Ф13 | 470 | |||
8 | Φ810 | Φ850 | Φ890 | 750 | 710 | 660 | 600 | 560 | 510 | 500 | 460 | 410 | 600 | 500 | 16-Ф10.5 | Ф13 | 490 | |||
9 | Φ910 | Φ950 | Φ990 | 770 | 730 | 680 | 600 | 560 | 510 | 570 | 530 | 480 | 700 | 600 | 16-Φ12.5 | Ф15 | 545 | |||
10 | Φ1010 | Φ1055 | Φ1100 | 760 | 690 | 640 | 690 | 620 | 570 | 590 | 520 | 470 | 700 | 600 | 16-Φ12.5 | Ф15 | 595 | |||
11 | Φ1110 | Φ1155 | Φ1200 | 820 | 750 | 700 | 750 | 680 | 630 | 700 | 630 | 580 | 800 | 700 | 16-Φ12.5 | Ф15 | 645 | |||
12 | Φ1210 | Φ1260 | Φ1310 | 950 | 880 | 830 | 870 | 800 | 750 | 870 | 800 | 750 | 1000 | 900 | 20-Φ12.5 | Ф15 | 700 | |||
13 | Φ1310 | Φ1360 | Φ1410 | 1010 | 940 | 890 | 950 | 880 | 830 | 870 | 800 | 750 | 1100 | 1000 | 20-Φ12.5 | Ф15 | 750 | |||
14 | Φ1410 | Φ1460 | Φ1510 | 1030 | 970 | 910 | 970 | 910 | 850 | 910 | 850 | 790 | 1200 | 1100 | 20-Φ12.5 | Ф15 | 810 | |||
注:1、带下划线尺寸为高压型4P或6P的尺寸。
2、为了用户的安装尺寸保持一致,法兰打孔尺寸(n-Φ1)仅供参考,若用户没有特别说明,本公司一般不打孔。
SWF-II型双速混流风机外形及安装尺寸

机号 | D1 | D2 | D3 | S型 | S1型 | N1 | N2 | n-Φa | Φb | H | ||||
L | M1 | M2 | L | M1 | M2 | |||||||||
6.5 | Φ660 | Φ695 | Ф730 | 700 | 650 | 910 | 460 | 410 | 370 | 500 | 400 | 12-Ф10.5 | Φ13 | 405 |
7 | Φ710 | Φ750 | Ф790 | 750 | 710 | 660 | 560 | 520 | 470 | 600 | 500 | 12-Ф10.5 | Φ13 | 440 |
7.5 | Φ760 | Φ800 | Ф840 | 750 | 710 | 660 | 600 | 560 | 510 | 600 | 500 | 12-Ф10.5 | Φ13 | 470 |
8 | Φ810 | Φ850 | Ф890 | 750 | 710 | 660 | 600 | 500 | 16-Ф10.5 | Φ13 | 490 | |||
8.2 | Φ830 | Φ870 | Ф910 | 770 | 730 | 680 | 600 | 500 | 16-Ф10.5 | Φ13 | 500 | |||
9 | Φ910 | Ф950 | Ф990 | 830 | 790 | 740 | 750 | 710 | 660 | 700 | 600 | 16-Ф12.5 | Φ15 | 545 |
10 | Φ1010 | Φ1055 | Ф1100 | 880 | 810 | 760 | 820 | 750 | 700 | 700 | 600 | 16-Ф12.5 | Φ15 | 595 |
11 | Φ1110 | Ф1155 | Ф1200 | 880 | 810 | 760 | 800 | 700 | 16-Ф12.5 | Φ15 | 645 | |||
12 | Ф1210 | Φ1260 | Ф1310 | 870 | 800 | 750 | 1000 | 900 | 20-Ф12.5 | Φ15 | 700 | |||
13 | Φ1310 | Φ1360 | Ф1410 | 950 | 880 | 830 | 1100 | 1000 | 20-Ф12.5 | Φ15 | 750 | |||
14 | Φ1410 | Φ1460 | Ф1510 | 970 | 910 | 850 | 1200 | 1100 | 20-Ф12.5 | Φ15 | 810 | |||
注:为了用户的安装尺寸保持一致,法兰打孔尺寸(n-Φa)仅供参考,若用户没有特别说明,本公司一般不打孔。