



一、诱导风机概述
全新通风理念的诱导风机,采用射流诱导通风系统理念,由送风风机、多台诱导风机(或管道式诱导风机)和排风风机组成。主要运用理论来自空气动力学中,以少量高速喷流气体的扰动特性,扰动喷流能够有效地诱导周围静止的空气,而带动空气流通。在无风管的条件下根据动量守恒定律:喷流的中心速度由出口点起逐渐减低,但是喷流宽度逐渐增加,所诱导周围的空气量也逐渐增加。根据这个原理,新风被诱导,并送到第二个安装在第一个有效射程内的风机(喷嘴) ,依次下去,新风被送到必要的区域,最后经排风机排到室外。并以适当的系统设计布置,实现最佳的室内气流组织,达到高效经济的通风换气效果。
传统的地下车库通风均采用在库内布置低速风管送排系统,其最大的缺点是:风管断面尺寸较大。气体往往会聚集在远离空气气流的死角处:车库净高普通较低,采用低速风管有压迫感;安装工作量大,投资较高;运行费用高。同时有的建筑由于其本身特点风管根本无法安装。
诱导风机已成为欧美、日本等工业发达国家的停车场、各种仓库、体育场以及车间等大空间广泛应用的一种通风设备。该通风设备已被做为一种常规地下停车场通风方式,并将其纳入建筑设备设计规范,正在逐步推广和普及。

二、诱导风机风量设计
1、YDF系列管道式诱导风机风量设计
1)先计算出楼地板面积及通风量:依建筑技术规则建筑设计施工篇第五章139条之规定标准换气量为35m3/h.m2。装置适当台数抽排风机于送、排风口处(送风机或排风机各总风量等于Q) ,其中送风机是供给新鲜空气用,排风机则是排除废气用。
3)适当安装高压风机与喷嘴:每1000平方米面积,安排管道式风机1台,每30平方米面积,安装喷嘴1只;每台高压风机可供给约30个喷嘴使用;将高压风机装置于某处,再将喷嘴概略平均分布,唯须注意应向出口方安排。
4)高压风机与喷嘴间经高速螺旋风管联接,其主干管以35cm为准,支管依次递减至适当孔径并以穿梁进行。
2、 YDF系列多风机式诱导风机风量设计
1)根据规范地下汽车库按不小于6次/小时换气数确定风量: Q>6·Vm3/h
2)选择适当的送排风机于送排风口处;
3)根据一台喷流机可以覆盖100~250平方米的原则确定机组数量,当车库面积较小,且隔墙等障碍物较少时取上限,反之当车库面积较大,且隔墙等障碍物较多时取下限;
4)根据确定的机组数量以及建筑物形式,以气流从进风口向出风口流畅为原则布置机组。
3、喷嘴向下的角度(H为喷嘴至地面的高度)
H<2.5m A=0° H=2.5m~3.0m A=15°
H=3.0m~4.0m A=20° H=4.0m~4.5m A=30°
4、设计说明
1)喷流导引系统由送风机、诱导风机组、排风机三部分组成。其中送风机是供给新鲜空气用,诱导风机组是把车库内空气搅拌均匀,并把新鲜空气沿着设计路径从送风口诱导至排风口,同时把废气赶至排风机处:接着排风机把废气排至室外。
2)送、排风机的位置宜设于防火分区的两端。
3)车库内有直接通向室外的汽车出入口为防火分区,可不设送风机。
4)面积不超过2000m2的地下车库,可不设置机械排烟系统。设有自动灭火系统的非复式汽车库,其防火分区的建筑面积可达4000m2。
5)关于排烟风管,由于排烟风管不再兼作排风用,故管内风速可升至20m/s,每个排烟口的覆盖距离可达30m,最终使得排烟风管的尺寸和密度较常规做法有大幅减少(一般可减少 50%) ,且由于风管间距拉长往往可把排烟风管布置在车库四周沿墙或其它可以不占用车库层高的位置。
三、换气效率
生活经验告诉我们,如果一个固定空间内的空气被污染了,换气最好的方法就是形成空气对流,即俗称的“穿堂风”。“穿堂风”可以在最短的时间内使固定空间内的气体进行彻底置换,效率是最高的。
同样的,在地下车库或一个更大空间内要实现快速通风换气,最好也能有“穿堂风”。但由于这种场合的特殊性,不可能又自然的“穿堂风”来进行通风,而诱导通风设备正是实现了人造 “穿堂风”的设备。
其核心原理是,利用动量守恒定律,把具有一定能量的风速高速喷出,使其逐渐扩散成一个 “风面” ,人为的把各个“风面”排列成一堵墙,按设定的路径前进,并携带沿途的污染空气,运动到指定地点。因为风具有形状不确定性,所以可以随进行途中各种截面的变换而变化,犹如一个活塞充满整个空间四壁向前运动,理论换气效率达到100%。这种换气方式被称为“置换式”或“贯流式”换气。
诱导通风设备就是实现人造“穿堂风”的关键设备。正因为其具有换气效率高的特点,这项起源于欧美的技术,至今已有近20年的应用历史。近年来也逐渐被众多的国内用户和专业技术人员接受并运用。北京建筑设计研究院在1999年已将这种系统和设备列入《建筑设备专业设计技术规范》第三章第六章第四节。措施明确要求:停车库机械通风宜采用喷射导流通风方式,以保证车库内良好换气,并减少风管费用和车库的设备占用层高。
四、诱导风机工作流程及应用
诱导风机智能控制的目的,是为了有效节能和防范误动作。是诱导排风系统更安全可靠、经济的运行。同时也是为了提高整个楼层的智能等级。

1、因为地下车库环境特殊(供氧不充分)。在火灾初期会产生大量烟雾和一氧化碳CO。如果,此时诱导风机开始工作,那么后果可想而知。所以,单纯检测CO浓度作为开机指标是不准确的。因为CO产生的不只是唯一的车辆尾气。必须增加烟雾指标。
2、第一次检测到CO超标就开启整个系统,显然是不经济的。所以,程序设定:第一次检测到CO超标只需要开启附近的1台进行稀释。整个车库空间也有足够余地来容纳某一点污染。
3、当同一台在工作了设定的稀释时间后, CO还是超标,程序有理由认为整个车库已经饱和,必须开启整个系统换气。
4、整个诱导系统开启后,只在车库内形成流场,是空气按照设计路线输送到排风口。必须开启排风竖井里的排风机才能向外排放。所以必须联动排风机。同理,如果是安全区内,则要联动送风机,补充新风。
五、YDF系列低噪声诱导风机和传统风机的比较
比较项目 | 诱导风机 | 传统通风系统 |
设计弹性 | 系统设计简单,变动弹性大,即使系统施工完成,仍可视实际需要增减风量。 | 设计复杂,变动弹性销,一旦规划完成,欲临时增减风量较困难。 |
空间 | 使用350mm螺旋风管,可穿梁施工,以节省楼层高度,增加楼层空间,且外观整洁美观。 | 方形风管,庞大复杂,又占空间,会影响其他公共设施之配套,如消防水管、给水管、电线管。 |
空气品质 | 因射流风机的高速扰动特性,库内空气整体快速流通,不易产生死角,有效降低废气浓度,并可导引入大量新鲜空气,以确保通风品质。 | 送排风口送排效果差,且无法大量均匀的搅拌空气,故易产生死角,且不宜使废气浓度降低。 |
成本 | 可降低楼层开挖费用,以增加楼层空间使用率,并可选配安装CO感测器,以控制运行状态,节省电力费用,且系统设备体积小,重量轻,施工容易,施工费用低。 | 若要维持空气品质,需全天候开机,故较费电,即使也加装Co感测器,但由于空气气流分布不易均匀,故感测效果差,另因系统庞大复杂,施工不易。 |
维修保养 | 维修保养相当简单。 | 必要时需清理管路,以维持畅通。 |
泄漏量 | 泄漏量低(接点少),查漏容易(使用泡沫检验),补漏容易(使用风管补漏胶带或矽胶。) | 泄漏量高,查漏麻烦(体积大),补漏不易(体积大)。 |
六、 YDF诱导风机性能参数表
1、 YDF系列管道式诱导风机性能参数表
1) YDF-A-2.5#表示直径为250mm管道式诱导风机
2) YDF-A-2.8#表示直径为280mm管道式诱导风机
型号 | 叶轮直径 | 风量 | 全压 | 转速 | 功率 | 噪声 | 效率 |
YDF-A-2.5# | 250mm | 3600m3/h | 1736Pa | 4428r/min | 4kW | 86dB(A) | 71% |
YDF-A-2.8# | 280mm | 6000m3/h | 1760Pa | 3900r/min | 5.5kW | 87dB(A) | 72% |
2、YDF系列多风机式诱导风机性能参数表
1) YDF-B-2.5#表示直径为250mm多风机式诱导风机
2) YDF-B-3# 表示直径为300mm多风机式诱导风机
型号 | 风量(m3/h) | 喷嘴形式 (直径x个数) | 射程(m) | 功率(kw) | 电源(V/Hz) | 噪声dB(A) | 重量(kg) |
YDF-B-2.5# | 630~850 | Φ10×2 | 12 | 0.12 | 220/50 | 58 | 28 |
Φ80×3 | 10 | ||||||
YDF-B-3# | 985~1750 | Φ10×2 | 18 | 0.37 | 220/50 | 62 | 35 |
Φ80×3 | 15 |
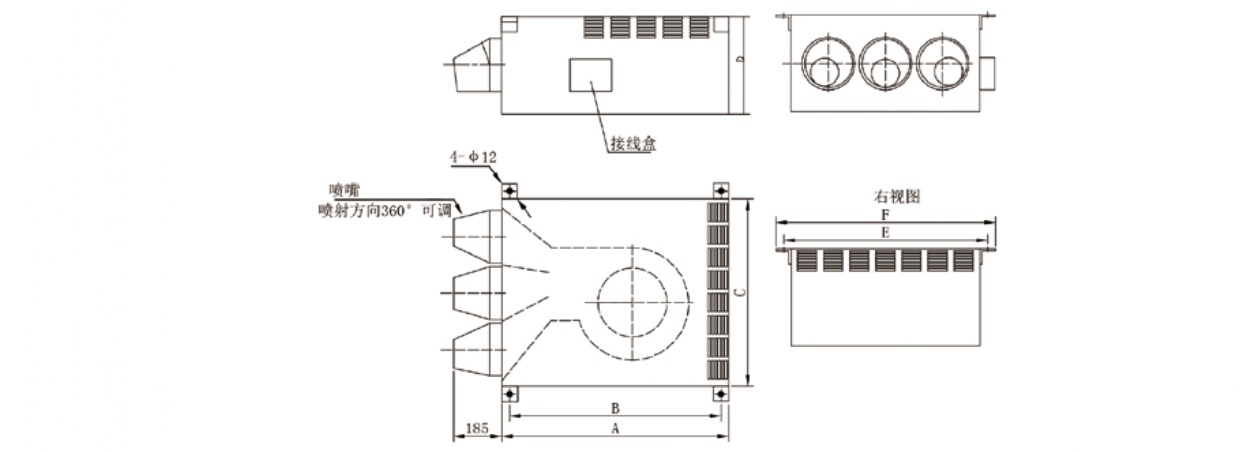
七、YDF诱导风机外形尺寸
1、 YDF-A型管道式诱导风机外形尺
YDF-A型风机喷嘴外形图
规格 | A | B | C | D | E | F | G | H |
YDF-A-1.8 | 1450 | 1410 | 580 | 740 | 660 | 260 | 260 | 680 |
YDF-A-2.5 | 1680 | 1640 | 660 | 820 | 740 | 320 | 320 | 715 |
YDF-A-2.8 | 1800 | 1760 | 720 | 880 | 800 | 360 | 360 | 750 |
2、YDF-B型多风机式诱导风机外形尺寸

规格 | A | B | C | D | E | F |
YDF-B-2.5 | 580 | 555 | 450 | 250 | 485 | 510 |
YDF-B-3.0 | 600 | 575 | 500 | 280 | 535 | 560 |