15053428882
销售咨询热线(7x24小时)
18582800105
售后服务热线(365天24小时)
风冷模块
风冷
水冷
食用菌专用机组
单元式空气调节机组
恒温恒湿机组
柜式空调机组
屋顶式空调机组
商用
民用
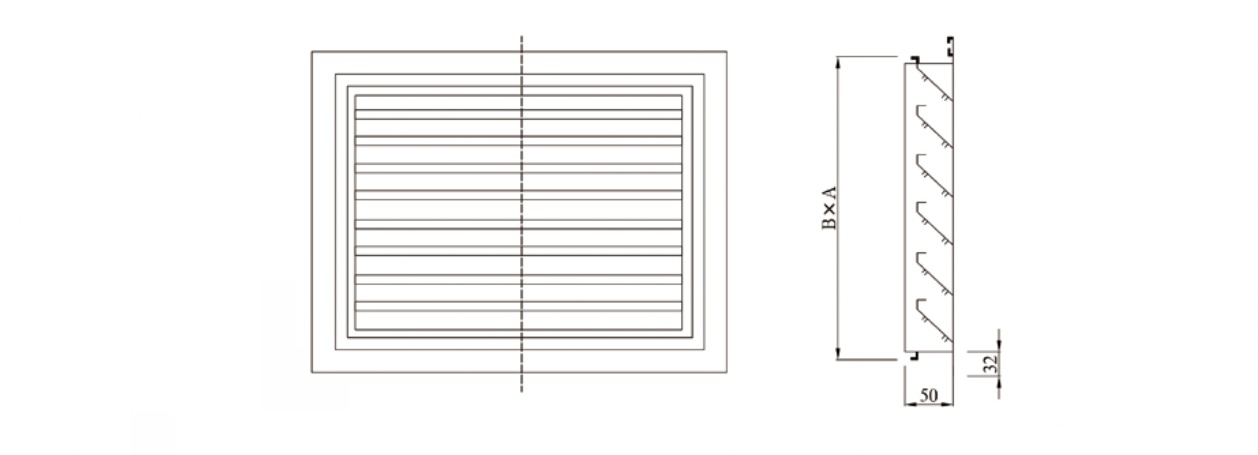
门铰式百叶风口在固定式的基础上增加一个边框和特制门锁及铰链,有利于安装和过滤网的清洗配套使用,使用时用手轻拨活门上两边门栓,活门即可打开,抽出过滤网清洗,关闭时只要将活门推上,两边弹簧门即可自动上锁,常用于客房,大厅的回风口装饰,叶片为固定式,倾斜45°,内层风口可开启。铝合金风口表面经阳极氧化处理,也可根据用户要求进行静电喷塑。